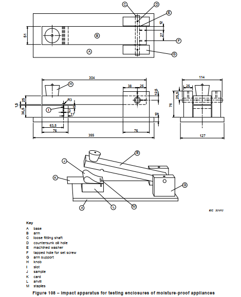
Aparelho de impacto para gabinetes de teste IEC60336-2-17 de aparelhos à prova de umidade
Aparelho de impacto
Detalhes do produto:Modelo ZLT-BC6
Aparelho Impacr, para gabinetes de teste de impacto de aparelhos à prova de umidade, de acordo com IEC60335-2-17 figura 108 e cláusula 21.109.
●A massa do conjunto do braço é de 3,1 kg ±0,03 kg, fabricado em aço inoxidável.
●O braço e o ângulo base horizontal 850.
●A base tem 12 mm de espessura, 355 mm de comprimento e 51 mm de largura.
